通信技术个人实验室,以嵌入式、软件无线电、数智化等技术为核心,将整套通信专业基础实验室集成于一台便携平台,让学生 “一机即一实验室”。
1、核心功能:
内置测试仪器:音视频信号源、4 通道示波器(含频谱 / 星座图)、8 通道逻辑分析仪、误码仪、高频信号源、频率计、扫频仪、失真度仪等。
人机交互:搭载嵌入式 PC,配 12.5 寸 + 5 寸双屏:大屏用于实验操作、信号测试、设计与存取;小屏支持 AI 答疑与原理讲解。
2、实验模块:线上:信号系统与处理、通信电子线路、通信原理、射频收发前端;线下:通信电子线路自主设计、通信原理与信号处理自主设计、面包板模块
3、支持课程:信号与系统、数字信号处理、通信电子线路、通信原理、软件无线电等。
4、实验模式:本地线上、远程线上、本地线下三种模式;线上为真实电路、真实数据,线上线下混合,实验不受时空限制。
5、实验层次:由浅入深:认知实验、功能验证、原理探究、系统构建、设计开发。
6、设计开发:通信电子线路:自主设计电路,替换平台单元并验证;通信与信号处理:支持 Matlab 仿真、算法控件设计、FPGA 硬件开发
7、数智化教学管理:支持教务、实验、设备、实验报告、学情分析等管理;实验过程实时记录、可回放,方便教师在线辅导、评判与监测,大幅减轻辅导与检查工作量。

教师终端监控软件

教师终端显示1号桌学生实验电路与测试结果

通信技术个人实验室
1、线上线下混合,学生实验不受时空限制;
2、原理与验证实验线上完成,提高实验效率,增加自主设计开发实验时间;
3、平台内线上板卡内单元电路级联能构成:无线模拟通信系统、无线数字音视频通信系统;
4、自主设计电路(算法)可替换平台内通信系统中单元电路,在场景中评测设计电路性能,提升学习兴趣;
1、实验分类

涵盖了人机交互、信号系统实验、通信电子线路实验、数字信号处理实验、通信原理实验、软件无线电实验、Matlab仿真设计、控件通信系统设计、硬件描述语言设计、线下设计开发实验与评测、数智化实验管理等实验。
2、人机交互

实验流程图、实验课件
3、信号系统实验

信号系统二阶电路状态规迹
4、通信电子线路实验(实验内容同线下实验箱)

通信电子线路小信号放大
5、数字信号处理实验

信号处理DFT实验
6、通信原理实验

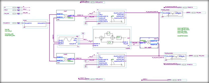
16QAM调制与解调认知性实验

实际通信系统工作原理认知与信号测试

通信原理PSK调制实验
7、软件无线电

软件无线电多速率滤波器
8、Matlab仿真设计

Matlab算法设计
9、控件通信系统设计

控件设计调频收音机
10、硬件描述语言设计

硬件描述语言算法设计
11、线下设计开发实验与评测
⑴通信原理、信号处理单元电路与系统电路替换


⑵高频单元电路自主开发与系统电路替换

自主设计电路替换

混频自主设计电路替换(中频与解调音频波形)


12、数智化实验管理

数智化实验平台

工位配置

实验室布局(含教师线上、学生远程线上)

基于该平台的智能体设计
注:需要完整解决方案或申请<试用账号>,请致电我公司(025-84585075)或发邮件到njrzkj@126.com获取。
Copyright © 2004-2026 英国上市公司365 版权所有 备案号:苏ICP备18023370号-1